產品詳情
概述
CYF系列金屬管轉子流量計是基于浮子位置測量的一種變面積流量儀表。采用全金屬結構,具有體積小、壓損小、量程比大(10~20:1)、安裝維護方便等特點,故廣泛應用于各行業復雜、惡劣環境下、對小流量、低流速、各種苛刻介質條件的流量測量與過程控制。
CYF系列金屬管轉子流量計的系列產品,針對不同的用戶需求、不同場合,有多種測量形式供用戶可選;按輸出形式分有就地指示型、遠傳輸出型、控制報警型;按防爆要求分類,又可分為普通型、本質安全型、隔離防爆型三種。
CYF系列金屬管轉子流量計采用無接觸檢測磁場角度變化的磁測傳感器、并配以高性能MCU,可實現液晶指示、累積、遠傳輸出(4~20mA)、脈沖輸出、上下限報警輸出等功能,該型智能信號變送器具有及高的精度和可靠性,完全可以取代進口同類型儀表,且具有性價比高、在線參數標定、掉電保護等特點。
CYF系列金屬管轉子流量計的設計制作還考慮了用戶工藝流向要求,有CYF50垂直安裝式、CYF51上進下出安裝式、CYF52側進側出安裝式、CYF53底進側出安裝式、CYF54螺紋連接式、CYF56R/L水平安裝式等安裝方式可選。
一. 結構及原理
CYF系列金屬管轉子流量計由二部分組成:
2 傳感器---測量管及浮子;
2 信號變送器----指示器;

傳感器的觸液材質有四種:不銹鋼、哈氏合金、鈦材、不銹鋼襯PTFE;用戶可根據不同的工藝壓力及介質的腐蝕性要求,選擇不同的觸液材質,來滿足工藝的耐壓及介質防腐的需要。根據不同的測量要求,用戶在選型時,可以選擇不同的指示器組合,來實現不同的測量要求。具體指示器形式與其對應功能見指示器型譜表。
流量的測量是由指示器內的變送器通過耦合磁鋼感受浮子位置的變化來完成流量的指示和信號的遠傳輸出的。當被測介質自下而上流經測量管時,浮子受重力、浮力及流體流速對浮子垂直向上的推動力三者平衡時,浮子即相對靜止在某個位置,這個位置隨浮子與錐管的環面積、流體流速而變化,浮子的位置即對應被測介質流量的大小。
二. 特點
大屏幕液晶顯示器,可以同時顯示瞬時流量和累計流量
上排顯示瞬時流量,下排顯示累計流量
瞬時流量顯示范圍:0.00-9999.99
累計流量顯示范圍:0.00-999999.90
電流顯示范圍:2.86-21.00mA
指針角度顯示范圍:0.00-90.00°
環境溫度顯示范圍:-50 -- +150℃
累計小信號切除量范圍:0.00-1.00(相當于0-100%)
瞬時流量及累計流量單位可任意設置.
2.上排可切換顯示:瞬時流量,環路電流,累計小信號切除量,當前環境溫度,指針轉動角度等信息.此時不影響下排累計量的顯示
3.液晶可顯示第二種工況狀態下的瞬時流量, 訂貨時,累計量可選擇 種工況狀態下的累計量還是第二種工況狀態下的累計量
4.雙排液晶顯示器功耗為微安級,均滿足本安防爆要求.
5.精度:<0.5%,溫飄:<0.2%/10℃
6.完善的掉電保護功能,掉電時,可保存當前累計流量,(累計量采樣周期為0.3S),
7.變送器可輸出:三線制,0-10mA信號,并且與是否帶液晶顯示功能無關, 隔爆型
8.支持電池供電功能,使用指定型號的可充電池,根據環境溫度不同,一次充電可正常工作3-4個月
三. 技術參數

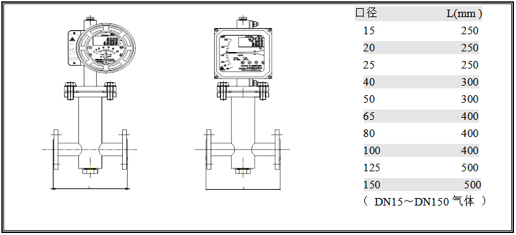
四、 外形尺寸及重量
1) CYF型
a) CYF標準型外形尺寸及重量

b) CYF/T夾套型外形尺寸及重量 (方形:本安型;圓形:隔爆型)

c) CYF50/PTFE型外形尺寸及重量

2) CYF/c型外形尺寸、重量及壓損


3) CYF/z型外形尺寸、重量及壓損


4) CYF/s型外形尺寸、重量及壓損

四. 附加結構及安裝說明
正確選用智能型金屬管轉子流量計及附加結構,對于系統的穩定運行及測量精度至關重要。在流量計的選型及安裝中應特別注意以下幾點:
1) 對于遠傳輸出型智能型金屬管轉子流量計的選用,要選擇適合使用場所防爆類型要求的流量計;安裝時還應注意儀表上電后的外殼緊固及接線口的密封,以達到防爆、防護、防侵蝕的要求。
2) 對于被測介質溫度過高(>220℃)或過低的場所,通常要對流量計的傳感器部分采取保溫或隔熱措施,為保證信號轉換器---指示器正常工作的環境溫度,應選擇高溫指示器(…/G/…)。(見高溫型結構圖1)
3) 對于有些需采取保溫或冷卻的被測介質,要選擇夾套型流量計(…/T/…)。標準CYF50智能型金屬管轉子流量計的伴熱或冷卻接口采用DIN2501 DN15 PN1.6 法蘭連接,如需其它法蘭或螺紋連接,定貨時請注明。
4) 對于流量計入口介質的壓力不穩,尤其用于氣體的測量,為保證精度和使用壽命,應選用阻尼結構(…/Z/…)。
5) 對于介質要求的壓力等級較高,超過標準壓力等級時,在選型時請選擇高壓型結構(…/G/…),參見高壓結構圖3。高壓型采用HG20595-97 RF帶頸對焊鋼制管法蘭。如采用其它標準,定貨時請注明。
6) 流量計安裝時要保證測量管的垂直度優于5%,且應加裝旁路,便于維護和清洗而不影響生產。
7) 安裝流量計的位置應保證入口有≥5DN的直管段,出口不≤250mm的直管段;如介質中含有鐵磁性物質,應在流量計前安裝磁性過濾器。(見磁過濾器及直管段外形尺寸圖)
8) 測控系統中的控制閥,應安裝在流量計的下游。用于氣體測量時,應保證工作壓力不小于流量計壓損的5倍,以使流量計穩定工作。
9) 安裝流量計前,應將管道內焊渣吹掃干凈;安裝時要取出流量計中的止動元件;安裝后使用時,要緩慢開啟控制閥門,避免沖擊損壞流量計。
10) 對于CYF50標準型、CYF56水平安裝型智能型金屬管轉子流量計可以選擇內置磁過濾器。內置磁過濾器的CYF50標準型的總高為350mm。
五. 流量表

六. 流量換算
智能型金屬管轉子流量計的刻度是在20℃溫度下水標定或在氣壓101.325KPa,20℃溫度下用空氣標定。若被測介質液體及氣體的密度、工作壓力與溫度不同于標定時的參數,則由于密度、粘度的差異,使用時,應對讀數進行修正,其修正公式:
對于液體,不考慮粘度影響的修正公式:

式中:Q1 ------被測介質實際流量
Q0 ------儀表的指示流量
ρ0 -----標定介質水的密度
ρf -----浮子的密度(不銹鋼為7.9g/cm3)
ρ1 -----被測介質的密度
2.對于氣體不考慮粘度影響的修正公式:

式中:Q1 -----被測氣體由P1T1狀態下的體積流量換算到P0T0狀態下的體積流量
Q0 -----標定介質為空氣在P0T0狀態時的體積流量
P0 -----標準大氣壓101.325KPa
T0 -----熱力學溫度293K
P1 -----工作狀態下的 壓力
T1 -----工作狀態下的熱力學溫度K
ρ0 -----標定介質空氣在P0T0狀態下的密度
ρ1 -----工作狀態下被測氣體在P0T0狀態時的密度
訂購測量氣體的流量計時請按下式計算后再決定流量范圍。

八、信號變送器---指示器
CYF系列金屬管轉子流量計的流量指示與電信號輸出由指示器完成。指示器有M1和M2兩種型式(根據指示器內的信號變送器分類),在M1型和M2型指示器中,按防爆形式又可分為普通型、本安型、隔爆型三種。
8.1 M1型指示器
M1型指示器能實現的功能有:指針就地指示、指針就地指示+4~20mA遠傳輸出、指針就地指示+上下限報警(控制點可調)。
M1型指示器的電信號遠傳由指示器內加裝的轉角變送器將浮子的位置轉換成與流量相對應標準信號完成的。如用在危險場合,請選本安型(標志為iaIICT3~6)或隔爆型(標志為dIIBT5),本安型須配備安保器或安全柵配套使用組成本安系統,安全柵可選。LB930、LB906等。
M1型指示器的上下限報警由指示器內加裝的TG22限位開關完成的。TG22限位開關由SJ3.5N型起始器和安裝在指針軸上的切割鋁片組成。通過改變鋁片的位置,可以任意設定限位置。TG22限位開關與外部的WE77隔離轉換放大器(晶體管繼電器)配合使用實現上、上限報警信號的遠傳輸出,并具有本安防爆性能。

注:M1型指示器的電信號變送輸出與限位開關只能任選其一。
K1/K2--代表上/下限報警;K3--代表上下限報警。

TG22限位開關技術參數
額定電壓 8VDC 有效面積開 ≥3mADC
自身電感 160μH 自身電容 40nF
防護類別 IP65 有效面積關 ≤1mADC
環境溫度 -25℃~+100℃
8.2 WE77晶體管繼電器
WE77晶體管繼電器WE77/Ex-1和WE77/Ex-2包括一個電源組、晶體管整流放大器和中間繼電器輸出。根據操作模式分A型R型和RS.
A型(輸出用控制電路低電感給出)工作時,處于釋放狀態,該型可演變換成R型(輸出由控制電路高電感給出)或RS型(帶有控制電路電纜損壞監控)LED(發光二級管)或可顯示出電纜的損壞情況。
WE77Ex-1(用于一個限位開關)

WE77Ex-2(用于兩個限位開關)

8.2.1WE77技術參數(表中括號內值為防爆系統 值)



8.3 M2型智能指示器
M2型智能指示器能實現的功能有:現場指示型(包括指針、液晶指示瞬時流量;液晶指示累計流量);遠傳輸出型(包括現場指示型+4~20mA遠傳輸出、現場指示型+上下限報警或脈沖輸出等)。M2型智能指示器的本安型標志為 iaIICT6,隔爆型標志為 dIIBT5,隔爆型M2智能指示器無指針現場指示功能,其他功能同本安型。現場指示型采用內部電池供電。同時,可選帶液晶背光或不帶背光顯示。選M2型本安指示器時,須配LB930、LB906等安全柵。
M2型指示器的上述功能由安裝在外殼內的磁傳感器、MCU微處理器及相應的功能電路所構成的ESD-100智能型磁耦合變送器完成,該變送器有一個雙行八位LCD液晶顯示屏,只須四鍵:用于參數的修改和子菜單的進入,即可完成人機對話。在儀表口徑所允許的測量范圍內,用戶可現場根據工藝參數的變化,進行現場標定。M2型指示器面板圖如下,隨版本更新面板將有所不同,屆時產品面板以實物為準。
CYFD磁測變送器主要技術指標
1.指示器液晶顯示
瞬時流量顯示數值范圍為:0~9999.99
累積流量顯示數值范圍為:0~999999.90
2.指示器轉換精度
瞬時值:1.0%FS±1msd
累積值:1.0%FS±1msd
3.指示器測量磁場旋轉角度 為:0-90°,分辨率為0.07°
4.液晶正常顯示環境溫度范圍為:-25℃ ~ 85℃
指示器正常工作環境溫度范圍為:-40℃ ~ 85℃
5.環境濕度小于90%RH
6.數據掉電保護時間約為10年
7.供電方式:二線制 24VDC±20%、220VAC或3。6V鋰電池
8.報警方式:集電極開路方式 電流100mA@30VDC內部阻抗100Ω
9.脈沖輸出:累積脈沖輸出,最小間隔50ms一個脈沖
10.可選本安防爆: iaIICT3~6
11.充電電池:4AH 3.6V鋰電池兩組,可用(3~4個月),兩組替換使用。
ESD-100智能型磁耦合變送器接線圖

九、流量計變送器部分調整說明



尊敬的客戶您好!
如果您想索取產品資料、獲取選型報價或是深入了解更多產品信息,歡迎添加官方微信 ,掃描下方二維碼即可。添加后將有專業工程師為您提供一對一的服務,隨時解答您的疑問。

- 上一篇:CY-MFC系列熱式氣體質量流量計
- 下一篇:




