產品詳情
CY-UHS/K磁浮子液位計/開關
■概述
浮球液位計結構主要基于浮力和靜磁場原理設計生產的。帶有磁體的浮球(簡稱浮球)在被測介質中的位置受浮力作用影響:液位的變化導致磁性浮子位置的變化。浮球中的磁體和傳感器(磁簧開關)作用,使串連入電路的元件(如定值電阻)的數量發生變化,進而使儀表電路系統的電學量發生改變。也就是使磁性浮子位置的變化引起電學量的變化。通過檢測電學量的變化來反映容器內液位的情況。
該儀表可以直接輸出電阻值信號,也可以配合變送器模塊,可以輸出電流值(4~20mA)信號,或者其開關信號(按照客戶需求轉換器由公司配送)。從而實現電信號的遠程傳輸與控制。
■特點
●結構簡單,工作可靠;
●易于安裝,維修方便;
●規格品種齊,適用范圍廣泛;
■ 型號說明:
CY-UH | 廠家編號 | |||||||
K | 輸出為開關信號 | 輸出信號 形式 | ||||||
S | 輸出為連續信號(如:4~20mA電流信號) | |||||||
P | 普通型: | 產品分類 | ||||||
T | 高溫型: | |||||||
Y | 高壓型 | |||||||
FI | 防腐型:常壓(PVC);0~60℃ | |||||||
FII | 防腐型:常壓(ABS);-10~80℃ | |||||||
FIII | 防腐型:壓力≤1.5Mpa;-20~115℃ | |||||||
FIV | 防腐型:壓力2.0Mpa;-20~115 | |||||||
D | 低密度型(介質密度 0.5~ 0.75g/cm3):壓力2.0MPa | |||||||
0 | 無報警點 | 報警選項 | ||||||
1 | 有1報警點 | |||||||
2 | 有2報警點 | |||||||
3 | 有3報警點 | |||||||
4 | 其他 | |||||||
1 | 螺紋連接,帶接線盒 | 過程連接 | ||||||
2 | 法蘭連接,帶接線盒 | |||||||
3 | 法蘭連接,帶接線盒和現場顯示 | |||||||
P | 非防爆型 | 防爆選項 | ||||||
F | 防爆型 | |||||||
X | 客戶的其他要求 | 其他選項 | ||||||
示例說明:CY-UHS P03F 1500
磁浮子液位計:4~20mA電流信號輸出,配數字顯示二次表,法蘭連接,帶接線盒,測量范圍1500mm,普通型,防爆型。
又如:CY-UHK P32P 1500
磁浮子液位開關:輸出為開關信號,法蘭連接,帶接線盒,帶有兩個報警點,插入深度為1500mm,普通型,非防爆型。
注:磁浮球液位計也可以帶有輸出報警點信號的報警開關。
■用途與適用范圍
磁浮子液位計廣泛應用于石油、化工、輕工、市政、環保等行業, 對各種開口或有壓容器內的液位或相界面進行連續測量。磁浮子液位變送器直接輸出4~20mA標準電流信號,經二線制傳送電信號可與計算機聯接,有數字顯示儀表配套的磁浮子液位計可以直接顯示液位高度值。根據客戶的要求,定制的磁浮子液位計帶就地表頭顯示,且為非防爆產品。
磁浮子液位開關應用于上述行業的液面或相界面的報警和控制。防爆磁浮子液位計及開關適用于1級區域的爆炸性氣體、可燃蒸汽與空氣混合形成爆炸性氣體混合物的場所。儀表的防爆等級為dⅡBT4。
防腐型磁浮子液位計(液位開關)耐酸、堿、鹽的腐蝕,但不耐濃硝酸、發煙硫酸及酮類、醚類的腐蝕,用于常溫、常壓。根據客戶的要求,定制的液位儀表適用于一切酸、堿、鹽及有機物的腐蝕。
磁浮子液位計及開關(低密度型)用在介質密度為0.35~0.75g/cm3,工作壓力2.0MPa的環境中。 儀表不適用于具有強烈振動的環境及具有固體懸浮雜質、鐵磁性雜質和粘滯性的介質。
■工作原理與結構
本系列儀表是基于浮力及磁力原理設計的。當液面或相界面發生變化時,裝有磁鋼的浮子隨液面(界面)升降并沿著導向管上下移動。導向管內的干簧管在磁浮子的磁場作用下動作,輸出與液位相對應的電阻信號或開關信號。
普通型儀表的主要結構是由不銹鋼的導向管、浮子、法蘭或螺紋連接件及接線盒、芯板等零件組成。防腐型(F1)儀表是以聚氯乙烯塑料為主體(與介質接觸部分)制造的產品。防腐型(F2)儀表是以ABS塑料為主體制造的產品。防腐型(F3)儀表主體和浮子均為不銹鋼材料噴涂特氟隆。防腐型(F4)儀表主體為不銹鋼材料表面噴涂特氟隆,浮子材料為聚四氟乙烯。外徑φ90。
■技術參數
●正常工作條件
環境溫度(℃):-20~70
相對濕度:5%~100%包括凝露和直接濕
大氣壓力(KPa):86 ~108
●插入深度(m)∶0.5~6
●測量(控制)范圍(m)∶0.08~5.84
●測量精度:
測量范圍 (m) | 0~0.5 | 0.5~2 | 2~6 |
測量精度 (%) | ±2 | ±1.5 | ±1 |
●開關控制點的接點容量:AC或DC220V,1A(純電阻負載) 單刀單擲或單刀雙擲
●控制點間最小距離(mm):60, 可提供1~5個控制點
●控制點動作誤差:±10mm
●回差:不超過基本誤差
●盲區:66~120mm(以水為介質)
●工作壓力(MPa):常壓,1,2
●介質溫度(℃):-20~125
●相界面密度差(g/cm3):0.2
●介質粘度(Pa·S):≤0.05
●介質密度(g/cm3):0.35~0.5,0.5~0.75,0.75~1.5
●外殼防護等級:IP54
●顯示儀表:XMT—124D數字顯示儀表(帶上、下限報警并可設定,可帶4~20mA輸出信號)外型尺寸160×80×180(長×寬×深);WP-T80數字+LED顯示儀表(帶4~20mA輸出,可任意設定報警點,測量范圍可在6m內任意調節。顯示儀表裝于安 所。
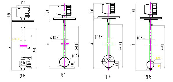
■外型尺寸及安裝要求:
●儀表的外型尺寸見圖1~5,圖1中A為儀表的插入深度,B為儀表的測量或控制范圍。


示意圖編號 | 圖1 | 圖2 | 圖3 | 圖4 |
對應型號 | 螺紋連接普通型磁浮子液位計(液位開關) | 法蘭連接普通型磁浮子液位計(液位開關) | 常壓防腐型磁浮子液位計(液位開關) | 非常壓防腐型磁浮子液位計(液位開關) |
示意圖編號 | 圖5 | 圖6 | 圖7 | |
對應型號 | 低密度普通型磁浮子液位計(液位開關) | 低密度防腐型磁浮子液位計(液位開關) | 襯特氟龍磁浮子液位計(液位開關) |
●儀表的安裝方式為垂直插入式安裝。
螺紋連接的磁浮子液位計(液位開關),連接螺紋為ZG3/4"。
法蘭連接型的磁浮子液位計(液位開關),對應的設備連接法蘭及密封墊由用戶自備。
表1
公稱通徑 DN(mm) | 公稱壓力 PN (MPa) | 管子 | 法蘭(JB81-59) | 螺栓 | 法蘭密封墊 (用戶自備) | ||||||||
d0 |
D |
D1 |
D2 |
f |
b |
d | 數量 | 螺紋 | 外徑 | 內徑 | 厚度 | ||
80 | 0.25 | 89 | 185 | 150 | 125 | 3 | 14 | 16 | 4 | M16 | 125 | 89 | 2 |
1 | 89 | 195 | 160 | 135 | 3 | 20 | 18 | 4 | M16 | 135 | 89 | 2 | |
2.5 | 89 | 195 | 160 | 135 | 3 | 26 | 18 | 8 | M16 | 135 | 89 | 2 | |
●儀表安裝位置應選擇在遠離進出料口的液位較平穩區。否則建議安裝防波板。
●儀表安裝時注意導向管與鉛垂線的夾角小于3°。
●儀表的電纜引入裝置見圖9。推薦使用電纜為KVV型直徑為Φ10.5~Φ11mm。安裝接線時去掉金屬墊片,擰緊壓緊螺母.建議采用Φ3/4"鍍鋅鋼管及防爆撓性軟管NDE20×2000(兩端接頭連接尺寸為M24×1.5外螺紋和3/4"內螺紋)穿管走線。
● 防爆型儀表的變送器部分安裝在爆炸性危險場所。安裝時用戶必須遵守中華人民共和國爆炸危險場所電氣安全規程。維修必須在安 所進行。在安裝和維修時必須切斷電源后再打開儀表接線盒。儀表的接線盒上設有接地端子,須接有可靠的地線。安裝調試和使用的過程中應注意保護防爆螺紋面,不得有劃痕碰撞等損傷。
●低密度型儀表在安裝時須從人孔將浮子安裝到儀表導向管上。
●高溫型儀表的外連接導線需用AF150型耐高溫導線。
●數字式顯示儀表外形尺寸:XMT-124D儀表:長×寬×深=160×80×180(mm),儀表盤開孔尺寸為152×76(mm);WP-T80儀表(豎式):寬×高×深=80×160×140(mm),儀表盤開孔尺寸為76×152(mm)。
●儀表應安裝在較清潔的場所。當用于污水時為避免漂浮物、鐵磁性雜質、泥沙等物質卡死浮子應在儀表周圍設置過濾網。
●為避免因被測液面的浮動引起的儀表晃動, 設備在儀表安裝的鉛垂點上設置定位孔,導向管下端定位柱尺寸為Φ6×6mm,建議定位孔為Φ7,深6mm。
■成套性
磁浮子液位計(或:磁浮子液位開關) | 1臺 |
合格證 | 1份 |
使用說明書 | 1份 |
裝箱單 | 1份 |
XMT-124D或WP-T80數字液位顯示儀 | 按照客戶訂購而定 |
■ 安裝調整與使用
●用戶收到訂貨后應首先檢查產品的包裝質量。包裝箱應完整無損,標志清晰。對于包裝已有明顯損壞的應及時通知貯運部門及制造廠,查清問題及責任,如果包裝無質量問題,則可開箱取出產品。
●產品經用戶單位檢驗部門檢查外觀沒有問題后,仔細閱讀使用說明書,接線通電試驗。用手推動 浮子,模擬液位變化。觀察數字顯示儀讀數、電流輸出信號或開關信號的變化,應有正常的反應和動作。
●本系列儀表安裝在壓力容器上時應和容器一起按有關規定進行1.25倍工作壓力的水壓試驗及1.05倍工作壓力的氣密性試驗,經確認無滲漏及損壞時方可投入使用。
●磁浮子液位計(液位開關)在出廠時,浮子在 位置對應液位顯示儀顯示0.00mm。測量盲區見圖1~7(介質為水)。當介質密度不同時,盲區相應有變化,現場實際液位可由調整卡箍的位置來實現。
●磁浮子液位計配用數字顯示儀XMT-124D或WP-T80(在保證性能的前提下,其型號以實物為準)。分辨率為1cm。
●磁浮子液位計直接輸出4~20mA電流信號,二線制接數字電流表。儀表在出廠時已經調整好零位為4 mA,滿度為20 mA。用戶在安裝后可以檢測一下,如果零位及滿度值有偏差,則可微調接線端子盒反面的零位和滿度電位器,反復調兩次。
●磁浮子液位計的就地顯示電流表串聯接在24V DC電路中。
■ 維護與保養
●對于正確安裝在良好工作環境中的儀表,除日常表面維護外,平時無須特別維護保養。
●定期檢查儀表密封圈一次,發現老化、裂紋現象應及時更換。
●檢修設備時應及時清理儀表浮子和導向管的污物,以免阻礙浮子的自由運動。
●易損件清單
序號 | 名稱 | 規格 | 數量 | 建議更換期 |
1 | 彈性密封圈 | Φ20×10 | 2 | 1~2年 |
2 | O型密封圈 | Φ90×3.1 | 1 | 1~2年 |
3 | 密封墊 | Φ32×2 | 1 | 大修后 |
■常見故障及排除方法
序號 | 故障特征 | 可能產生的部位 | 產生的原因 | 檢查方法 | 排除方法 |
1 | 數字液位顯示儀不顯示 | 1.顯示儀保險絲管 | 燒斷 | 打開保險盒 | 更換保險管 |
2.接線端子(電源) | 接線不良 | 拆蓋檢查 | 緊固螺釘 | ||
3.電源 | 斷電 | 試電筆測試 | 通電 | ||
2 | 數顯儀亂跳字 | 1.顯示儀信號端子 | 接錯線 | 查線 | 更換接線 |
2.儀表接線盒 | 接錯線 | 查線 | 更換接線 | ||
3 | 數顯儀顯“1”字 | 1喉箍 | 喉箍松動測量范圍越限 | 重新確定測量范圍 | 重新固定喉箍位置 |
2接線端子 | 接線不良 | 拆蓋檢查 | 緊固螺釘 | ||
3干簧管 | 斷路 | 取出芯板 | 更換干簧管 | ||
4 | 液位變化時數字液位顯示儀不變字 | 1顯示儀信號端子 | 接錯線 | 查線 | 更換接線 |
2浮子 | 卡在導向管 | 取出浮子 | 去掉障礙 | ||
3芯板 | 干簧管短路 | 取出芯板 | 更換干簧管 | ||
4導向管 | 焊漏而短路 | 拆出儀表 | 補焊漏處,檢修芯板 | ||
5 | 開關控制時有時無 | 1接線端子 | 接線不良 | 拆蓋檢查 | 重新接線 |
2芯板 | 干簧管斷路 | 取出芯板 | 檢查,更換 |
■運輸與貯存
●制造廠發往用戶的產品都有良好的內外包裝,可適應正常的運輸,當用戶進行二次運輸或開箱后又運輸時,應保持原來完整的包裝,運時小心輕放、不可倒置,并防止雨淋,曝曬及強裂的沖擊震動,當產品長期不使用時應原包裝貯放在溫度為-25~55℃,濕度不大于90%,且無腐蝕性及有害氣體的環境中。
■定貨須知
●當閱讀此說明書后,可根據設計要求和現場情況正確選用儀表并按完整的產品規格代碼定貨。
●按設計和使用要求未能選取出適用的儀表時,請提出問題和要求,我們的專業人員將協助您選型或為您設計制造特殊的產品,請至少提供下列資料:
●工作壓力、工作溫度、介質名稱、粘度、腐蝕性、量程要求等
■制造廠保證
●自發貨之日起一年內,產品因制造質量不良而不能正常工作時,工廠將無償為用戶修理或更換。
■服務項目
●為用戶提供技術咨詢、選型指導、技術培訓、安裝調試、維修。
●長期提供產品維修用零件。
●承接成套系統及特殊產品的設計、制造、安裝、調試。
- 上一篇:CY-61系列導波雷達液位計
- 下一篇:



