產品詳情
1應用
差壓液位變送器的膜盒是用于防止管道內介質直接進入差壓變送器的壓力傳感器組件中,它與變送器之間采用硅油等填充液傳遞壓力。
CY2001液位變送器用于測量液體、氣體或蒸汽的液位、密度、壓力、以及流量,然后將其轉變成4~20mADC HART電流信號輸出。CY2001也可與RST375手持終端或RSM100 Modem 相互通信,通過它們進行參數設定、過程監控等。CY2001系列液位變送器的測量范圍(未遷移時)為0-1kPa~2MPa,液位法蘭的額定壓力分別為:1.6/4MPa、6.4MPa、10MPa、150psi、300psi或600psi。
2工作原理與結構
CY2001差壓液位變送器結構上由CY2001系列差壓變送器和經焊接安裝的液位法蘭組成。其工作原理與CY2001系列差壓變送器相同(參見CY2001系列差壓變送器技術規格書),只是正壓側壓力傳遞路徑略有不同:作用在高壓側的壓力,首先經液位法蘭上的膜片和填充液,再經變送器本體,最后到達測量傳感器的高壓側。
3輸入
測量參數:差壓、液位
測量范圍
下限值:-100%URL起(連續可調)
下限值:至+100%URL(連續可調)
量程
表1量程代碼與量程范圍關系對照表

表2液位法蘭與最小量程關系對照表

差壓液位變送器的最小量程應為表1和表2中最小量程的較大值。調節的量程不得小于最小量程。液位變送器的最大量程應為變送器本體最大量程與液位法蘭額定壓力兩者的最小值。
4輸出
輸出信號
2線制,4~20mADC HART輸出,數字通訊,HART協議加載在4~20mADC信號上。
輸出信號極限:Imin=3.9mA,Imax=20.5mA
報警電流(模式可設置)
低報模式(最小):3.7 mA
高報模式(最大):21 mA
不報模式(保持):保持故障前的有效電流值
報警電流標準設置:高報模式
5響應時間
放大器部件阻尼常數為0.1s;傳感器和液位法蘭時間常數為0.2~2s,取決于量程及量程比。附加的可調時間常數為:0.1~60s。
6一般條件
6.1安裝條件
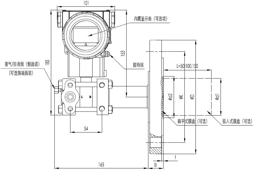
通過液位法蘭變送器可直接固定于任何位置。最佳狀態是使過程法蘭軸處于垂直狀態,位置偏差將產生可校正的零位偏移。電子表殼最大可旋轉360°,定位螺釘可將其固定于任何位置。
6.2環境條件
環境溫度
最低:取決于填充液
最高:85℃
帶液晶顯示、氟橡膠密封圈時 -20~65℃
儲存溫度/運輸溫度
最低:取決于填充液
最高:85℃
相對濕度
0~100%
抗沖擊
加速度:50g
持續時間:11ms
抗震動
2g至500Hz
電磁兼容性(EMC)
見下頁表3《電磁兼容性附表》
6.3過程介質極限
介質溫度極限:-30~180℃
變送器本體壓力極限
從3.5kPa絕對壓力至額定壓力,保護壓力可大于額定壓力的1.5倍,同時加于變送器兩側。
液位法蘭額定壓力
ANSI標準 :150psi~600psi
DIN標準: PN 1.6MPa~PN 10MPa
單向過載極限
低壓側為變送器本體額定壓力,高壓側為液位法蘭額定壓力,可能出現可修正的零點漂移。
重量:DN 50/2”約7~10kg;DN 80/3”約8~11kg;DN 4”約9~12kg。
防爆性能
NEPSI隔爆許可:Ex dⅡC T6
NEPSI本安許可:Ex iaⅡC T4
允許使用溫度為:-40℃~65℃
6.4電源及負載條件
電源電壓為24V
R≤(Us-12V)/Imax kΩ
其中 Imax=23 mA
最大電源電壓:42VDC
最小電源電壓:12VDC,15VDC(背光液晶顯示)
數字通訊負載范圍: 230~600Ω
材質
測量膜盒:不銹鋼 316L
膜片: 不銹鋼 316L、哈氏合金C、鉭膜片、FEP、PFA、PTFE覆膜
過程法蘭:不銹鋼 304
填充液: 硅油、植物油
密封圈: 丁腈橡膠(NBR)、氟橡膠(FKM)、
聚四氟乙烯(PTFE)
變送器外殼:鋁合金材質,外表噴涂環氧樹脂
外殼密封圈:丁腈橡膠(NBR)
銘牌: 不銹鋼 304
電氣連接
M20X1.5電纜密封扣,接線端子適用于0.5~2.5mm2的導線。
過程連接
變送器低壓側有UNF 7/16``內螺紋。變送器高壓側的液位法蘭符合ANSI標準或DIN標準。可直接安裝,參加尺寸圖。
外殼防護等級
IP67
表3電磁兼容性附表

注:(1)A性能等級說明:測試時,在技術規范極限內性能正常。
(2)B性能等級說明:測試時,功能或性能暫時降低或喪失,但能自行恢復,實際運行狀況、存儲及其數據不改變。
外形尺寸 單位(mm)

表4液位法蘭結構尺寸表

注:用戶可選配安裝螺栓、螺母。
7 電氣連接圖

注:快捷接口功能等同于信號端子。
8 低壓端過程連接說明

9型號和規格代碼表


注1:在對液位法蘭密封裝置選型時,應先完成CY2001差壓變送器的選型,并在CY2001選項表中第60行選L液位選項;
注2:膜片貼PTFE膜,也即F4膜片,可適用于負壓的測量,但僅適用于扁平式液位法蘭。
選型舉例:
例:CY2001-AC2A1LNN111N1C[3],LT-H1FSN
[A]:基本誤差±0.05%
[C]:量程為0-400Pa~40kPa(0-40~4000 mmH2O)
[2]:靜壓補償為10MPa
[A]:接液部分為不銹鋼 316L膜片,填充液為硅油
[1]:額定工作壓力為16MPa
[L]:液位法蘭測量形式
[N]:接液密封圈為丁腈橡膠(NBR)
[N]:無特殊選項
[N]:無安裝支架
[1]:低壓端配1/2 英寸NPT內螺紋不銹鋼橢圓形法蘭
[1]:液晶顯示
[N]:基本表(非防爆表)
[1]:位號標于銘牌內
[C]:中文使用說明書
[LT-]:接液密封裝置為液位法蘭
[H]:DN80(DIN 2501)法蘭口徑,E型DN2526密封面形式,不銹鋼 316L膜片
[1]:PN 1MPa/4MPa(DIN 2501)法蘭壓力等級
[F]:接液面為扁平式膜盒
[S]:填充液為硅油
[N]:接液法蘭膜盒面無特殊處理
注3:差壓變送器選項參見CY2001系列變送器選項表;
注4:液位變送器的最小量程應為表1和表2中最小量程的較大值。調節的量程不得小于最小量程。為了使液位變送器性能最優,應選擇量程比<10:1。
注5:當測量壓力或工作靜壓<50kPa(絕對壓力)時,應特殊備注,制造過程中需要特殊處理,以保證性能。
- 上一篇:
- 下一篇:



